Impossible de charger la disponibilité du service de retrait
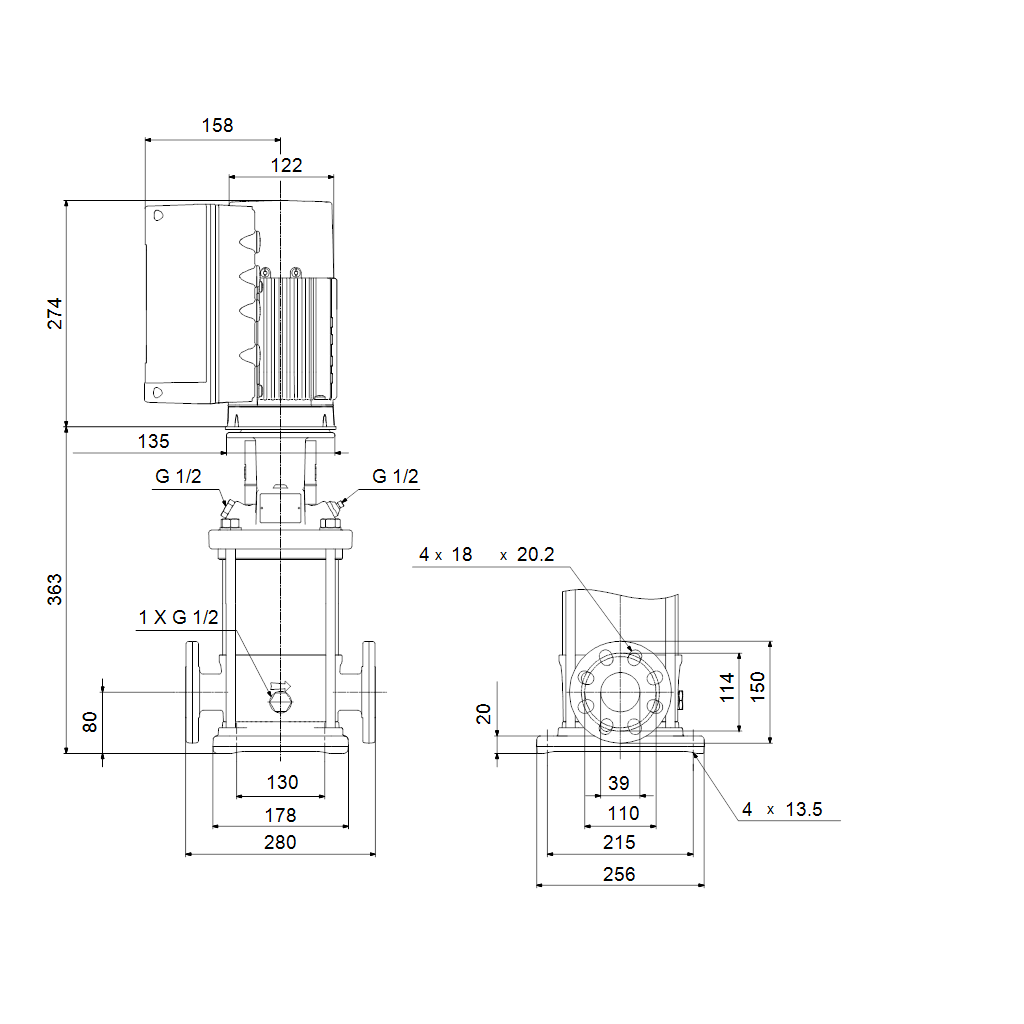
Pompe centrifuge, multicellulaire, verticale avec orifices d'aspiration et de refoulement au même niveau (inline). La tête de pompe et le chassis sont en fonte - toutes les autres pièces en contact avec le fluide sont en acier inoxydable. La garniture mécanique à cartouche assure une grande fiabilité, une manipulation sécurisée ainsi qu'une maintenance et un accès faciles. La transmission de puissance est effectuée par un accouplement. Le raccordement à la tuyauterie est effectué par des brides combinées DIN-JIS. La pompe est équipée d'un moteur ventilé synchrone à aimant permanent, 3-phasé. Le rendement du moteur est classé IE5, conformément à IEC 60034-30-2. Le moteur comprend un convertisseur de fréquence et un régulateur PI dans la boîte à bornes du moteur. Cela permet la régulation continue de la vitesse du moteur, afin d'adapter la performance à une condition donnée. Un panneau de commande sur la boîte à bornes du moteur permet le réglage du point de consigne requis ainsi que le réglage de la pompe sur fonctionnement "Min." ou "Max.", ou encore sur "Arrêt". L'indicateur Grundfos Eye sur le panneau de commande fournit une indication visuelle de l'état de la pompe :
"Sous tension" : Le moteur fonctionne (voyants lumineux rotatifs verts) ou ne fonctionne pas (voyants lumineux verts allumés)
"Avertissement " : Le moteur fonctionne toujours (voyants lumineux rotatifs jaunes) ou est arrêté (voyants lumineux jaunes allumés fixes)
"Alarme" : Le moteur est arrêté (voyants lumineux clignotants rouges).
Il est possible de communiquer avec la pompe au moyen de la télécommande Grundfos GO (accessoire). La télécommande permet d'effectuer des réglages supplémentaires et de prendre connaissance d'un certain nombre de paramètres tels que "Valeur réelle", "Vitesse", "Alimentation" et "Consommation électrique" totale. La boîte à bornes est équipée de nombreuses entrées et sorties permettant une utilisation du moteur dans les applications avancées où de nombreuses entrées et sorties sont nécessaires :
deux entrées digitales dédiées
trois entrées analogiques, 0(4)-20 mA, 0-5 V, 0-10 V, 0,5-3,5 V
alimentation 5 V du potentiomètre et du capteur
une sortie analogique, 0-10 V, 0(4)-20 mA
deux entrées digitales configurables ou sorties collecteur ouvert
deux entrées Pt100/Pt1000
LiqTec, entrée capteur de protection contre la marche à sec
entrée et sortie du capteur digital Grundfos
alimentation 24 V pour capteurs
deux sorties relais signal (contacts libres)
une connexion GENIbus
une interface pour le module fieldbus CIM Grundfos.